TRODAT (Shandong) Marina Ingegneria Co., Ltd
+86-0536-2222696
[[smallImgAlt]]
video

CSD Galleggiante Dredger personalizzato

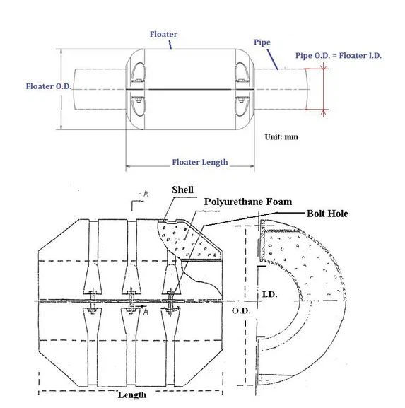
Il galleggiante MDPE è realizzato in eccellente flessibilità di materiale polietilene a media densità, all'interno del guscio è riempito con schiuma di poliuretano espanso ad alta resistenza. Galleggianti di dragaggio Caratteristiche principali 1. Buona flessibilità, e ottima resistenza agli urti, particolarmente adatta per l'installazione in mare. 2....

Invia la tua richiesta
  • Descrizione
    Articolo
    TDF-160 ·
    TDF-165 ·
    TDF-800 ·
    TDF-355 ·
    TDF-400 ·
    TDF-355 ·
    TDF-560 ·
    TDF-650 ·
    TDF-850 ·
    Diametro interno (mm)
    160
    160
    160
    355
    400
    400-420
    550-560
    650
    850
    Diametro esterno(mm)
    450
    500
    500
    1100
    1100
    1310
    1300
    1500
    2200
    Lunghezza (mm)
    650
    800
    800
    1100
    1200
    1335
    1400
    1800
    2500
    Lo spessore del guscio (mm)
    5
    5
    6
    7
    7
    8
    10
    11
    15
    Imbottitura interna
    PU
    PU
    EPS
    EPS
    EPS
    EPS
    EPS
    EPS
    EPS
    Peso netto
    (un paio, kg)
    10
    15
    15
    -
    -
    -
    -
    -
    -
    Capacità di forza di galleggiamento
    (un paio, kg)
    80
    130
    130
    -
    -
    -
    -
    -
    -
    Colore/dimensione personalizzati
    Possibile
    ARTICOLO
    Indice tecnico dello scafo
    ARTICOLO
    Indice tecnico interno
    Resistenza alla trazione
    ≥13,1 MPa
    Assorbimento d'acqua
    1-2g/100cm2
    Rompere l'allungamento
    ≥11,1%
    Rottura
    0,08-0,1 MPa
    Resistenza agli urti
    ≥32.4KJ/m2
    Rottura
    4-6%
    Resistenza alla flessione
    ≥15,7 MPa
    Resistenza alla compressione
    0,1-0,24 MPa
    Resistenza agli agenti atmosferici≥3.5GJ / m2
    Dopo l'invecchiamento totale dell'energia≥3.5GJ/m2
    Rompere l'allungamento %≥
    10
    Tempo di induzione ossidativa 200°Cmm
    10

    Il galleggiante MDPE è realizzato in eccellente flessibilità di materiale polietilene a media densità, all'interno del guscio è riempito con schiuma di poliuretano espanso ad alta resistenza.


    Caratteristiche principali dei galleggianti di dragaggio 1. Buona flessibilità, ed eccellente resistenza agli urti, particolarmente adatta per l'installazione in mare. 2. Leggero, facile per l'installazione e il movimento, con costi di trasporto molto più bassi. 3. Resistenza alla corrosione, maggiore durata, potrebbe funzionare 3 volte più a lungo dei pontoni in acciaio. 4. I costi e le prestazioni sono molto migliori dei pontoni in acciaio, con un prezzo più competitivo.Caratteristiche prestazionali dei galleggianti MDPE:1. Galleggiabilità leggera e di grandi dimensioni 2. Corrosione resistente agli urti, agli acidi e agli alcali 3. Basso tasso di assorbimento 4. Costruzione semplice e bassi costi di manutenzione


    Etichetta sexy: csd galleggiante draga personalizzato, Cina, fornitori, produttori, fabbrica, prezzo, in vendita

(0/10)

clearall